显微组织
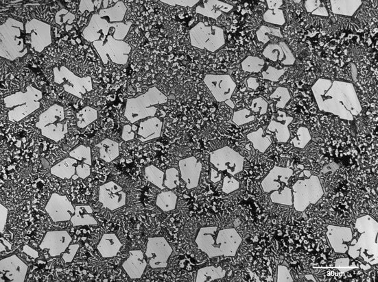
耐磨复合钢板的显微组织由共晶的渗碳体、合金马氏体、残余奥氏体组成基体,其上均匀分布的大量高耐磨碳化物组成,碳化物的硬度可达HV1700,是构成高耐磨结构的骨架,基体与硬质抗磨质点的最佳配合使材料具有优异的耐磨性。其显微组织示于右图。
2020 官网升级中!现在您访问官网的浏览器设备分辨率宽度低于1280px
请使用高分辨率宽度访问。
面向特定应用场景需求,为客户提供定制化、整体化、成本低的耐磨板产品。
高耐磨
抗冲击
易加工
综合成本低
| 编号 | 名称 | 总厚度 | 耐磨层厚度 | 说明 | 报价 |
|---|---|---|---|---|---|
| WRP-A0604 | 6+4 | 10 | 4 | WRP106焊丝 | 获取报价 |
| WRP-B0604 | 6+4 | 11 | 4 | WRP360焊丝 | 获取报价 |
| WRP-C0604 | 6+4 | 12 | 4 | WRP360焊丝,外加粉,Cr>25% | 获取报价 |
| WRP-A0804 | 8+4 | 12 | 4 | WRP106焊丝 | 获取报价 |
| WRP-B0804 | 8+4 | 12 | 4 | WRP360焊丝 | 获取报价 |
| WRP-C0804 | 8+4 | 12 | 4 | WRP360焊丝,外加粉,Cr>25% | 获取报价 |
| WRP-A0606 | 6+6 | 12 | 6 | WRP106焊丝 | 获取报价 |
| WRP-B0606 | 6+6 | 12 | 6 | WRP360焊丝 | 获取报价 |
| WRP-C0606 | 6+6 | 12 | 6 | WRP360焊丝,外加粉,Cr>25% | 获取报价 |
| WRP-A0806 | 8+6 | 14 | 6 | WRP106焊丝 | 获取报价 |
| WRP-B0806 | 8+6 | 14 | 6 | WRP360焊丝 | 获取报价 |
| WRP-C0806 | 8+6 | 14 | 6 | WRP360焊丝,外加粉,Cr>25% | 获取报价 |
| WRP-A0808 | 8+8 | 16 | 8 | WRP106焊丝 | 获取报价 |
| WRP-B0808 | 8+8 | 16 | 8 | WRP260焊丝 | 获取报价 |
| WRP-C0808 | 8+8 | 16 | 8 | WRP260焊丝,外加粉,Cr>28% | 获取报价 |
| WRP-A1008 | 10+8 | 18 | 8 | WRP106焊丝 | 获取报价 |
| WRP-B1008 | 10+8 | 18 | 8 | WRP260焊丝 | 获取报价 |
| WRP-C1008 | 10+8 | 18 | 8 | WRP260焊丝,外加粉,Cr>28% | 获取报价 |
| WRP-A1208 | 12+8 | 20 | 8 | WRP106焊丝 | 获取报价 |
| WRP-B1208 | 12+8 | 20 | 8 | WRP260焊丝 | 获取报价 |
| WRP-C1208 | 12+8 | 20 | 8 | WRP260焊丝,外加粉,Cr>28% | 获取报价 |
| WRP-A1010 | 10+10 | 20 | 10 | WRP106焊丝 | 获取报价 |
| WRP-B1010 | 10+10 | 20 | 10 | WRP260焊丝 | 获取报价 |
| WRP-C1010 | 10+10 | 20 | 10 | WRP260焊丝,外加粉,Cr>28% | 获取报价 |
| WRP-A1212 | 12.5+12.5 | 25 | 12.5 | WRP106焊丝 | 获取报价 |
| WRP-B1212 | 12.5+12.5 | 25 | 12.5 | WRP260焊丝 | 获取报价 |
| WRP-C1212 | 12.5+12.5 | 25 | 12.5 | WRP260焊丝,外加粉,Cr>28% | 获取报价 |
WRP-高耐磨复合钢板技术分析
耐磨复合钢板的显微组织由共晶的渗碳体、合金马氏体、残余奥氏体组成基体,其上均匀分布的大量高耐磨碳化物组成,碳化物的硬度可达HV1700,是构成高耐磨结构的骨架,基体与硬质抗磨质点的最佳配合使材料具有优异的耐磨性。其显微组织示于右图。

耐磨复合钢板的耐磨层表面通过形成细小均匀的裂缝释放应力,保持整幅板面的平整,限制产生应力集中,裂缝仅局限于硬层内,使用过程中也不会向韧性很好的基板中扩展。

宏观硬度58-62HRC,微观硬度1300-1750HV。碳化铬硬质颗粒为扁平状,颗粒大,数量多,分布均匀。

耐磨复合钢板可以适合在590℃以下,有较高的冲刷磨损和磨粒磨损的工况条件下,具有良好的耐磨性、耐冲击性和良好的抗氧化性。适用于多种磨损工况条件。复合钢板的抗拉与抗冲击性能不低于Q235钢板焊接接头的性能。
